COLD CHAMBER DIE CASTING MACHINE
CH Series / CF Series / V Series
All-in-One Die Casting Solutions
- Customized Systems, Complete Line Planning, and Integrated Production
TBC offers holistic high-pressure die casting (HPDC) equipment for cold chamber aluminum alloys designed for exceptional performance, user-friendly operation, and long-term durability. Our machines are engineered to deliver:
⚡️ Powerful performance with fast cycle times
⚙️ Stable and efficient operation for high productivity
🔧 Easy maintenance and operation for reduced downtime
🎯 High-quality and precise casting results
💰 Cost-effective and long-lasting performance
Whether you're expanding production or optimizing your process, TBC is your trusted partner in die casting technology. With years of experience and proven reliability, we provide not only machines, but complete solutions tailored to your needs.
CH Series - Cold Chamber Aluminum Die Casting Machine
High-end INTELLIGENT MODEL
CH series adopts imported energy saving system, and low speed is matched with proportional valve.
The control accuracy of multi-speed injection is better than the traditional multi-speed injection. Suitable for air-tight castings
- High speed injection 8m/sec, high speed acceleration 80G.
- Complete data management: Standard die clamping force, furnace temperature interface, oil temperature alarm, defective detection and other systems. 500 sets of mold parameters storage.
- With high end auxiliaries: equipped with toggle arm auto ladler and servo sprayer. Highly improving production efficiency and quality.
- Advanced Data Management: Standard for die locking force display.abandoned cast setting.detection of defective. 500 sets of parameter storage.
C Type
Standard Type
Link Type
Advanced Data Management
- Dual Hydraulic System and Independent Intensification Accumulator:
Owing to the separate ACC for intensification part, the pressure is not influenced by high speed.
Operator can set up IP pressure independently.Suitable for 500 ton machine and above. - Meter-in Injection System:
New hydrau-lic circuit design is capable to achieve a 80G acceleration and high speed to 8m/s.
With German proportion solenoid valve, precisely controlling multi-phase for low speed and reduce casting porosity.
Higher stability for pressure resistant products and laminar flow die casting.
Meter-in injection system is also standard feature on TBC CH model die-casting machines. With this function, even for difficult molds, the product quality and the machine's production output & performance are is not inferior to that of Toyo die casting machines.
Dual Hydraulic System
Meter-in Injection System
- Vacuum system interface
- Injection parameters save up to 300 sets.
- Squeeze pin interface
- 15 inch touch screen: Easy for operator to set parameters. The injection data function upgrade.
- Digital Clamping Force Display: Digital clamping force display is standard feature for CH models. Combined with injection data.
- Advanced electronic control function: In addition to defective detection and injection data upgrade. the mold parameter storage is extended to 1,000 sets.
- Abandoned casting setting (warm-up model): Force the machine to operate certain shots under low-speed injection mode, according to shutdown period. Avoiding defective castings due to cold molds.
Digital Clamping Force
Advance Electronic Control
Abandoned Casting Setting
- Hydraulic oil filter device
- The injection data function upgrade.
- Remote Data Collection System:
Remoted monitoring and collection of production data.
Simple through mobile phone or laptop. - Energy Saving System:
With German Eckerle pump and the whole new controlling system. Extend the liftspan and durability.
The power consumption of die casting machines of more than 500 ton is reduced by about 30%. - Movable Platen Reinforcement Board:
prevents the platen from deforming after long-term use and makes it easy to replace. - Quick mold Change system:
Using a special hydraulic clamp, the upper and lower molds can be moved quickly and safely. The control and operation can also be integrated into the electronic control of TBC die-casting machine. - Automatic safety door:
Using a frequency converter to control the motor system, which is more stable than the traditional air pressure system. The safety door can be automatically opened and closed during production with the machine's movement. It can be installed on both the operating side and the non-operator side. - Extra cores:
According to each tonnage model, the number of cores can be additionally increased.
Remote Data Collection System
Energy Saving System
Core
Full Cover Auto Safety Door
Quick Mold Change System
Fixed Platen Side Spray
Piston Type Accumulator
Movable Platen Reinforce Board
Auto Tie Bar Puller on Operator Side (Available for 580T machine and above)
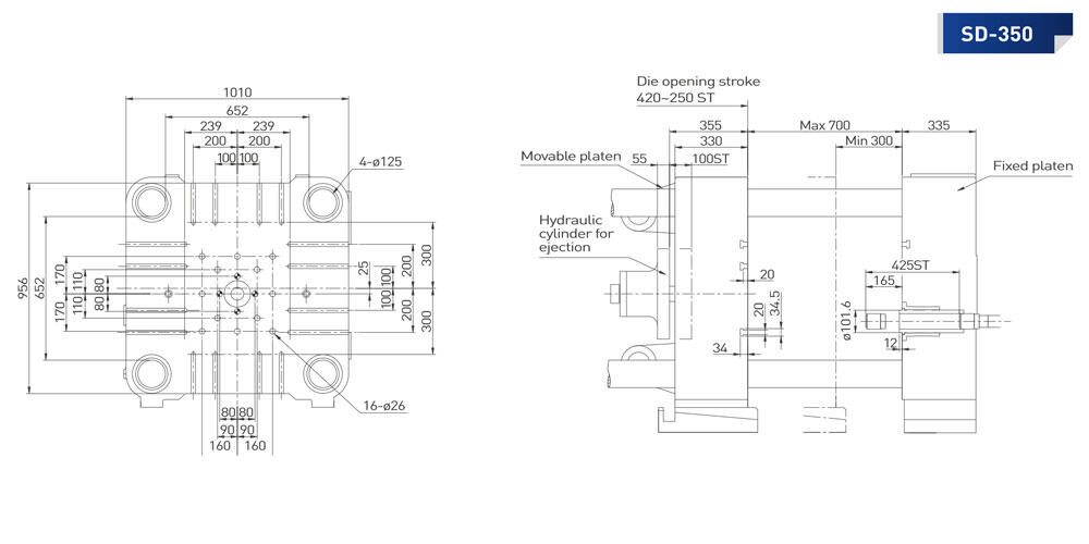
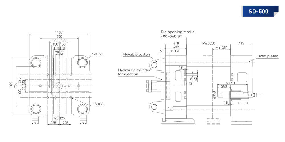
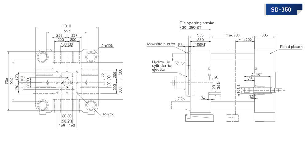
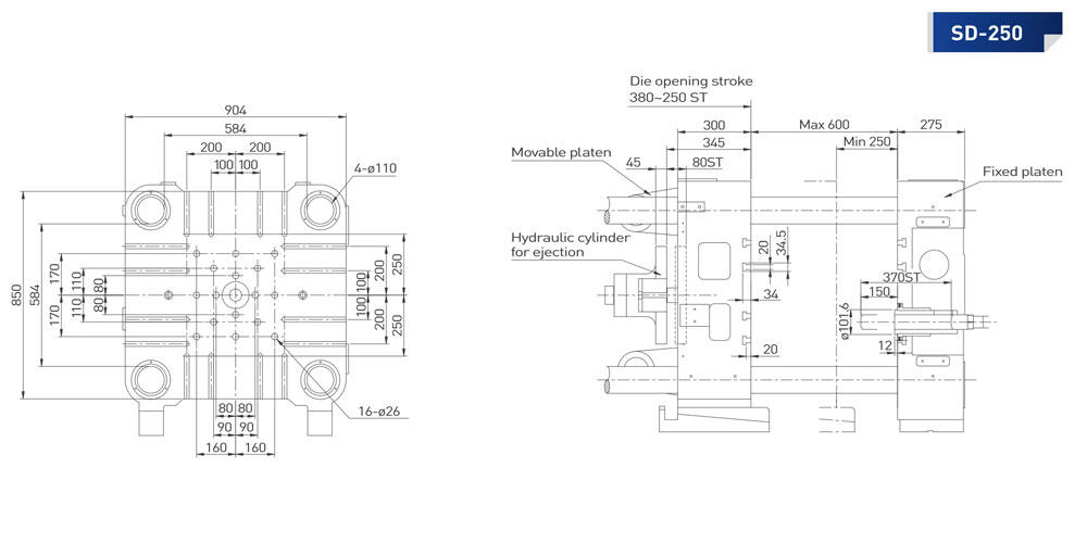
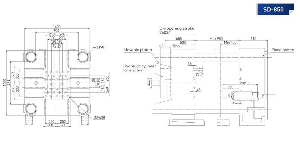
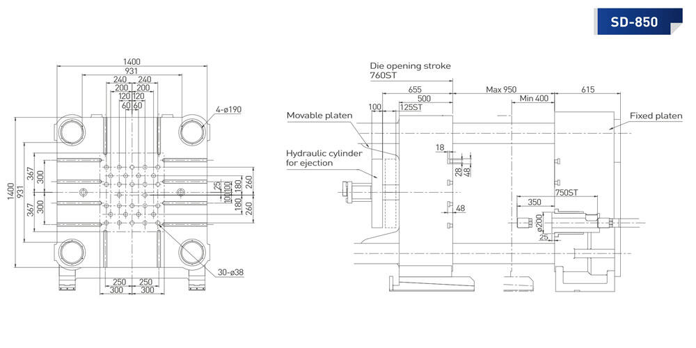
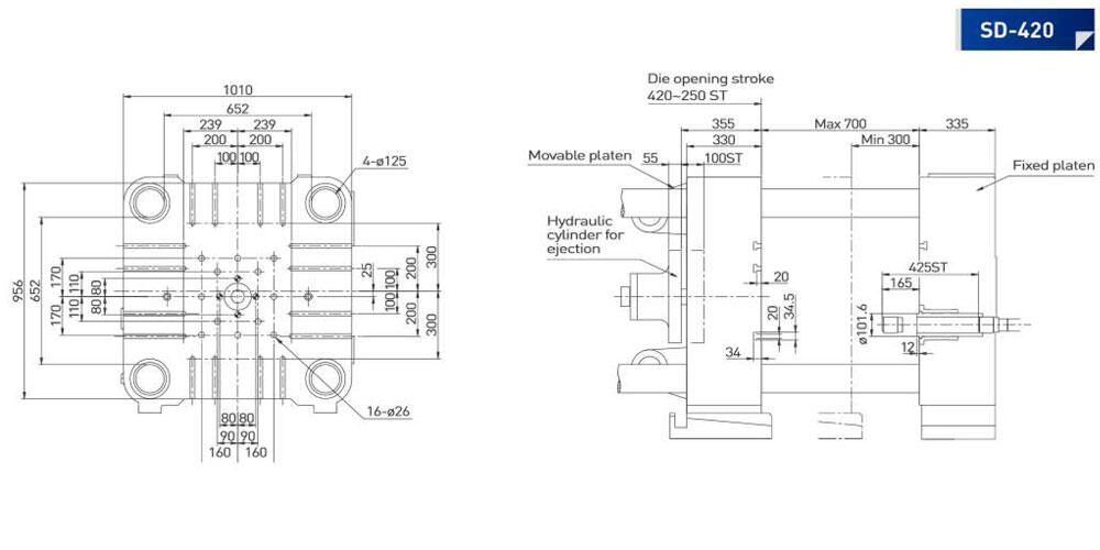
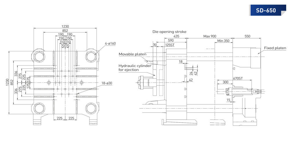
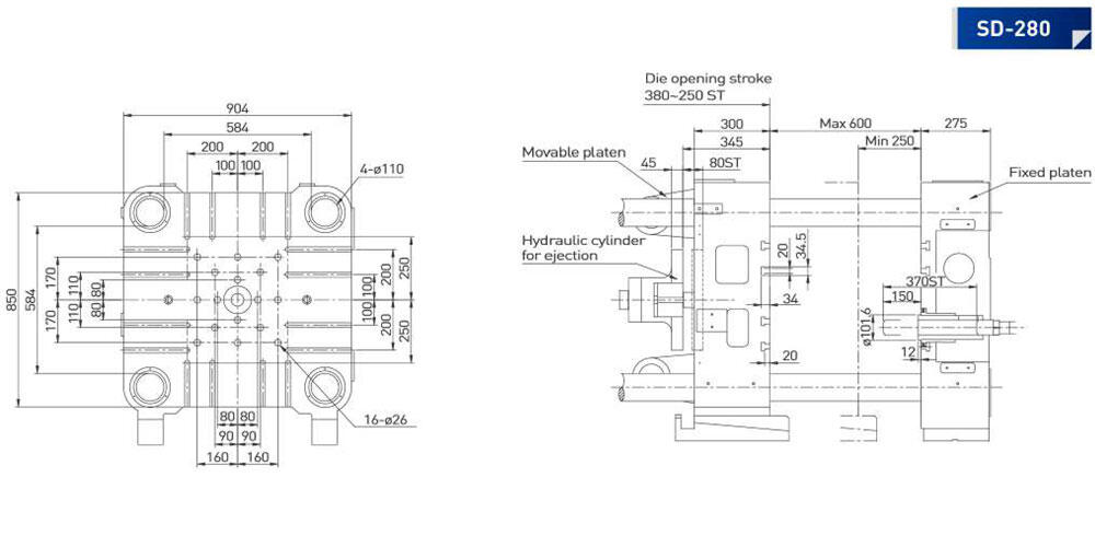
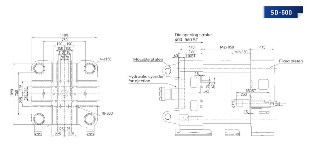
| Item | Units | SD-280 CH | SD-420 CH | SD-580 CH | SD-730 CH | SD-900 CH |
|---|---|---|---|---|---|---|
| Die locking force | KN | 2800 | 4200 | 5800 | 7300 | 9000 |
| Die platen dimensions (HxW) | mm | 850x904 | 1010x1010 | 1090x1180 | 1230x1230 | 1400x1400 |
| Space between tie bars | mm | 584x584 | 652x652 | 750x750 | 852x852 | 931x931 |
| Tie bar diameter | mm | 110 | 125 | 150 | 160 | 190 |
| Die stroke | mm | 380 | 420 | 560 | 660 | 760 |
| Die thickness | mm | 250~600 | 300~700 | 350~850 | 350~900 | 400~950 |
| Solenoid valve for core | Piece | 3/8"x1 | 3/8"x2 | 3/8"x1 | 3/8"x2 | 1/2"x2 | 1/2"x3 | 1/2"x3 |
| Hydraulic outlet | Set | 1/2"x2 | 1/2"x3 | 1/2"x2 | 1/2"x3 | 3/4"x3 | 3/4"x5 | 3/4"x5 |
| Injection force | KN | 265 | 354 | 506 | 550 | 653 |
| Plunger stroke | mm | 370 | 425 | 580 | 670 | 750 |
| Plunger-tip projection distance | mm | 150 | 165 | 250 | 300 | 350 |
| Injection port position | mm | -125 | -150 | -175 | -175 | -250 or -275 |
| Dry shot speed | M/S | 6 | 7 | 6 | 7 | 8 | 6 | 7 | 8 | 6 | 7 | 8 | 6 | 7 | 8 |
| Plunger-tip diameter | mm | Min. 50 | Sta. 60 | Max. 70 | Min. 60 | Sta. 70 | Max. 80 | Min. 70 | Sta. 80 | Max. 90 | Min. 70 | Sta. 80 | Max. 90 | Min. 80 | Sta. 90 | Max. 100 |
| Maximun casting pressure | Mpa | 132.8 | 92.3 | 67.7 | 109.9 | 80.6 | 61.7 | 117.7 | 90 | 71.1 | 140.5 | 107.7 | 85.1 | 130 | 102.8 | 83.1 |
| Casting area | cm² | 184 | 265 | 361 287 | 413 | 563 | 312 | 425 | 555 485 | 661 | 864 | 416 | 544 | 688 624 | 816 | 1033 | 462 | 604 | 764 582 | 760 | 962 | 653 | 826 | 1022 904 | 1144 | 1414 |
| Actual shot weight (Al) | Kg | 1.40 | 2.02 | 2.75 | 2.35 | 3.20 | 4.18 | 4.35 | 5.68 | 7.19 | 5 | 6.6 | 8.3 | 7.3 | 9.2 | 11.4 |
| Ejection force | KN | 123.5 | 190.1 | 259.7 | 300 | 340 |
| Ejection stroke | mm | 80 | 100 | 110 | 125 | 125 |
| Hydraulic motor | kw | 18.5 | 22.5 | 37 | 37 | 45 |
| Amount of hydraulic fluid | L | 370 | 480 | 700 | 800 | 860 |
| Amount of cooling water (oil) | L/min | 25 | 25 | 80 | 80 | 150 - 180 |
| Amount of cooling water (die) | L/min | 25-50 | 25-50 | 50-90 | 50-90 | 150 |
| Machine weight | ton | 9.4 | 12.8 | 23 | 30 | 50 |
| Machine size | mm | 5613x1650x2616 | 6275x1835x2975 | 7590x2065x3345 | 8046x2335x3413 | 9990x2450x3556 |
| Model | 280 CH | 420 CH | 580 CH | 730 CH | 900 CH |
|---|---|---|---|---|---|
| CONTROLLER PART | |||||
| Color touch screen | ● | ● | ● | ● | ● |
| Alarm display | ● | ● | ● | ● | ● |
| Injection terms setting | ● | ● | ● | ● | ● |
| Screen print | ○ | ○ | ○ | ○ | ○ |
| PLATEN PART | |||||
| Cycle time setting | ● | ● | ● | ● | ● |
| Die open lubricating setting | ● | ● | ● | ● | ● |
| Ejection stroke setting from screen | ● | ● | ● | ● | ● |
| Movable platen adjustment | ● | ● | ● | ● | ● |
| Toggles auto lubricating system | ● | ● | ● | ● | ● |
| Auto tie bar puller | X | X | ○ | ○ | ● |
| CORE PART | |||||
| Selection of core movement timer | ● | ● | ● | ● | ● |
| Selection of core pressure during injection | ● | ● | ● | ● | ● |
| Movable core 1 | ● | ● | ● | ● | ● |
| Movable core 2 | ● | ● | ● | ● | ● |
| Fixed core 3 | ○ | ○ | ○ | ● | ● |
| Pressure reducing valve for movable core 1&2 | ○ | ○ | ○ | ○ | ○ |
| Pressure reducing valve for fixed core 3 | ○ | ○ | ○ | ○ | ○ |
| INJECTION PART | |||||
| Motorized injection valve | ● | ● | ● | ● | ● |
| Injection curve display | ● | ● | ● | ● | ● |
| Die cast conditions management | ● | ● | ● | ● | ● |
| Injection speed display | ● | ● | ● | ● | ● |
| Injection pressure display | ● | ● | ● | ● | ● |
| Injection data display | ● | ● | ● | ● | ● |
| Plunger-tip projection setting | ● | ● | ● | ● | ● |
| Injection vacuum movement setting | ○ | ○ | ○ | ○ | ○ |
| Shot sleeve clean setting | ● | ● | ● | ● | ● |
| Plunger-tip lubricating setting | ● | ● | ● | ● | ● |
| Injection stroke setting from screen | ● | ● | ● | ● | ● |
| Magnetic non-contact sensor | ● | ● | ● | ● | ● |
| Intensifying pressure adjustment | ○ | ○ | ○ | ○ | ○ |
| HYDRAULIC & COOLING PART | |||||
| Hydraulic oil temperature sensor | ● | ● | ● | ● | ● |
| Hydraulic oil level sensor | ● | ● | ● | ● | ● |
| Enhanced cooler | ○ | ○ | X | X | X |
| Auto pressure release device | ○ | ○ | ○ | ○ | ○ |
| Hydraulic oil filter device | ○ | ○ | ○ | ○ | ○ |
| SAFETY PART | |||||
| Manual safety door | ● | ● | ● | ● | ● |
| Full cover auto safety door | ○ | ○ | ○ | ○ | ○ |
| Non-operator side safety fence | ○ | ○ | ○ | ○ | ○ |
| Emergency stop | ● | ● | ● | ● | ● |
| OTHERS | |||||
| Energy saving system | ○ | ○ | ○ | ○ | ○ |
| Digital die locking force display | ● | ● | ● | ● | ● |
| Quick mould change system | ○ | ○ | ○ | ○ | ○ |
| Squeeze pin interface | ○ | ○ | ○ | ○ | ○ |
| Piston accumulator | ○ | ○ | ○ | ○ | ○ |
| Movable platen reinforce board | ○ | ○ | ○ | ○ | ○ |
| AUXILIARIES | |||||
| Auto ladler: Molten metal volume calculating | ● | ● | ● | ● | ● |
| Auto adjustment for molten metal supply standby timer | ● | ● | ● | ● | ● |
| Ladle descending position setting | ● | ● | ● | ● | ● |
| Molten metal volume from screen | ● | ● | ● | ● | ● |
| Auto extractor die height auto adjust | ● | ● | ● | ● | ● |
| Auto sprayer die height auto adjust | ● | ● | ● | ● | ● |
| Auto sprayer: Up down movement spray | ● | ● | ● | ● | ● |
| Spray setting for male, female mold | ● | ● | ● | ● | ● |
| Spray setting for cores | ● | ● | ● | ● | ● |
| Fast auto production | ● | ● | ● | ● | ● |
CF Series - Cold Chamber Aluminum Die Casting Machine
Advanced Cold Chamber Die Casting Machine Manufacturers in Taiwan
Powerful performance for high productivity. Fast cycle time, efficient & stable. More facilities & higher controllability. Complete management assistance. Easy to use. We provide high quality cold chamber die casting machine to United States, India, Pakistan, the Middle East and China at an affordable price.
Providing Cold Chamber Die Casting Machine at an affordable price
TBC is famous for its die cast automation production in the die-casting machine industry. With years of rich manufacturing experience, fully researching and developing all kinds of high-performance automatic die-casting technology. We are convinced that TBC will be your best choice for die cast automation equipment worldwide. TBC is committed to producing cold chamber die casting equipment with excellent quality and affordable price
In addition to CF series, some other functions are enhanced as following:
- Injection valve is controlled electronically. Injection pressure can be detected. Digitized injection stroke, simple design, stable casting.
- Dry shot speed: 7 m/sec
- Cycle time can be set and monitored.
- Dual ACC and Circult Design( for 250 ton and above ): Efficiently reducing the pressure drop and providing superior reaction of refilling pressure. More stable in injection.
- Core movements is controlled by Limit Switch / Timer.
- Back Pressure Relief Device: With unique hydraulic circuit design. acceleration from low to high speed taking only 0.012 seconds.
- Data Storage: 3000 sets of injection data, 300 sets of casting parameters and die cast conditions all stored effectively in USB flash drive for future reference and comparison.
- Optional for Servo Sprayer: Adjustable for spraying stroke. Providing better quality and atomization effect.
Back Pressure Relief Device
CF Injection Block Feature
Data Storage
- Vacuum system interface
- Digital die locking force display
- Injection parameters save up to 300 sets.
- Squeeze pin interface
- Hydraulic oil filter device
- Multi-speed Injection System: Having 5 low speed setting Elimi-nating air entrainment and molten metal flash. Effectively enhancing quality and able to lower porosity.
Core
Hydraulic Oil Level Sensor
Full Cover Auto Safety Door
Quick Mold Change System
Energy Saving System
Fixed Platen Side Spray
Movable Platen Reinforce Board
Auto Tie Bar Puller on Operator Side (Available for 580T machine and above)
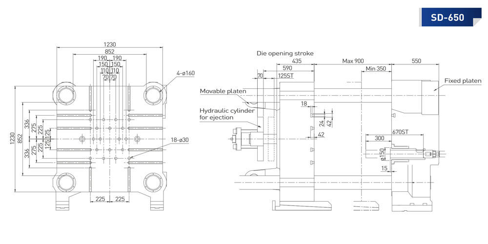
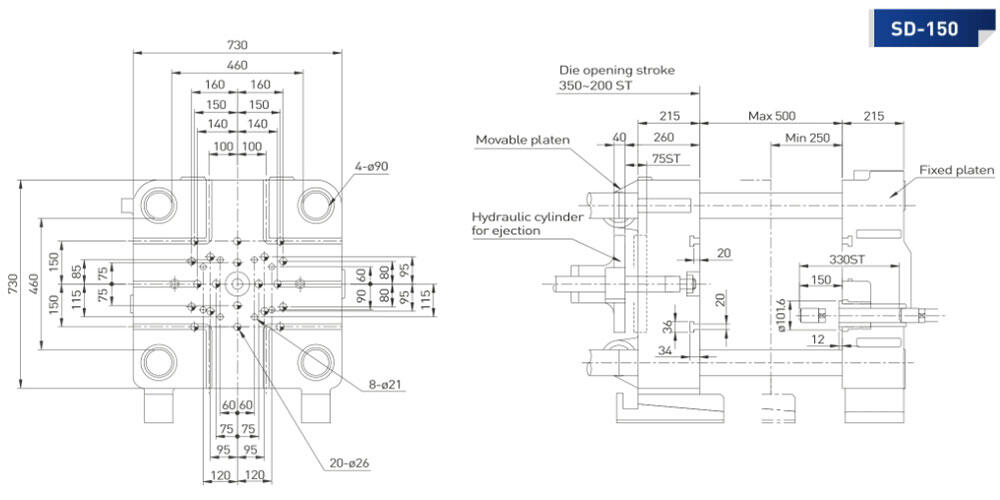
| Item | Units | SD-150 CF | SD-180 CF | SD-280 CF | SD-420 CF | SD-580 CF | SD-730 CF | SD-900 CF |
|---|---|---|---|---|---|---|---|---|
| Die locking force | KN | 1500 | 1800 | 2800 | 4200 | 5800 | 7300 | 9000 |
| Die platen dimensions (HxW) | mm | 730x730 | 790x790 | 850x904 | 1010x1010 | 1090x1180 | 1230x1230 | 1400x1400 |
| Space between tie bars | mm | 460x460 | 482x482 | 584x584 | 652x652 | 750x750 | 852x852 | 931x931 |
| Tie bar diameter | mm | 90 | 90 | 110 | 125 | 150 | 160 | 190 |
| Die stroke | mm | 350 | 350 | 380 | 420 | 560 | 660 | 760 |
| Die thickness | mm | 250~500 | 250~500 | 250~600 | 300~700 | 350~850 | 350~900 | 400~950 |
| Solenoid valve for core | Piece | 3/8"x1 | 3/8"x2 | 3/8"x1 | 3/8"x2 | 3/8"x1 | 3/8"x2 | 1/2"x2 | 1/2"x3 | 1/2"x3 |
| Hydraulic outlet | Set | 1/2"x2 | 1/2"x2 | 1/2"x2 | 1/2"x3 | 1/2"x2 | 1/2"x3 | 3/4"x3 | 3/4"x5 | 3/4"x5 |
| Injection force | KN | 182 | 182 | 265 | 354 | 506 | 550 | 653 |
| Plunger stroke | mm | 330 | 330 | 370 | 425 | 580 | 670 | 750 |
| Plunger-tip projection distance | mm | 150 | 150 | 150 | 165 | 250 | 300 | 350 |
| Injection port position | mm | -100 | -100 | -125 | -150 | -175 | -175 | -250 or -275 |
| Dry shot speed | M/S | 6 | 7 | 6 | 7 | 6 | 7 | 8 | 6 | 7 | 8 | 6 | 7 | 8 | 6 | 7 | 8 | 7 | 8 |
| Plunger-tip diameter | mm | Min. 45 Sta. 50 | Max. 60 | Min. 50 Sta. 60 | Max. 70 | Min. 50 Sta. 60 | Max. 70 | Min. 60 Sta. 70 | Max. 80 | Min. 70 Sta. 80 | Max. 90 | Min. 70 Sta. 80 | Max. 90 | Min. 80 Sta. 90 | Max. 100 |
| Maximun casting pressure | Mpa | 110.2 | 88.9 | 61.7 | 132.8 | 92.3 | 67.7 | 109.9 | 80.6 | 61.7 | 117.7 | 90 | 71.1 | 140.5 | 107.7 | 85.1 | 130 | 102.8 | 83.1 |
| Casting area | cm² | 133 207 | 165 | 238 257 | 370 | 184 | 265 | 361 287 | 413 | 563 | 312 | 425 | 555 485 | 661 | 864 | 416 | 544 | 688 624 | 816 | 1033 | 462 | 604 | 764 582 | 760 | 962 | 653 | 826 | 1022 904 | 1144 | 1414 |
| Actual shot weight (Al) | Kg | 0.92 | 1.16 | 1.67 | 1.40 | 2.02 | 2.75 | 2.35 | 3.20 | 4.18 | 4.35 | 5.68 | 7.19 | 5 | 6.6 | 8.3 | 7.3 | 9.2 | 11.4 |
| Ejection force | KN | 100.9 | 100.9 | 123.5 | 190.1 | 259.7 | 300 | 340 |
| Ejection stroke | mm | 80 | 80 | 80 | 100 | 110 | 125 | 125 |
| Hydraulic motor | kw | 15 | 15 | 18.5 | 22.5 | 37 | 37 | 45 |
| Amount of hydraulic fluid | L | 360 | 360 | 370 | 480 | 700 | 800 | 860 |
| Amount of cooling water for oil | L/min | 25 | 25 | 25 | 25 | 80 | 80 | 150-180 |
| Amount of cooling water for die | L/min | 25-50 | 25-50 | 25-50 | 25-50 | 50-90 | 50-90 | 150 |
| Machine weight | ton | 5 | 5 | 9.4 | 12.8 | 23 | 30 | 50 |
| Machine size | mm | 4820x1520x2585 | 4820x1520x2585 | 5613x1650x2616 | 6275x1835x2975 | 7590x2065x3345 | 8046x2335x3413 | 9990x2450x3556 |
| Model | 150 CF | 180 CF | 280 CF | 420 CF | 580 CF | 730 CF | 900 CF |
|---|---|---|---|---|---|---|---|
| CONTROLLER PART | |||||||
| Color touch screen | ● | ● | ● | ● | ● | ● | ● |
| Alarm display | ● | ● | ● | ● | ● | ● | ● |
| Injection terms setting | ● | ● | ● | ● | ● | ● | ● |
| Screen print | ○ | ○ | ○ | ○ | ○ | ○ | ○ |
| PLATEN PART | |||||||
| Cycle time setting | ● | ● | ● | ● | ● | ● | ● |
| Die open lubricating setting | ● | ● | ● | ● | ● | ● | ● |
| Ejection stroke setting from screen | ● | ● | ● | ● | ● | ● | ● |
| Movable platen adjustment | ● | ● | ● | ● | ● | ● | ● |
| Toggles auto lubricating system | ● | ● | ● | ● | ● | ● | ● |
| Auto tie bar puller | X | X | X | X | ○ | ○ | ○ |
| CORE PART | |||||||
| Selection of core movement timer | ● | ● | ● | ● | ● | ● | ● |
| Selection of core pressure during injection | ● | ● | ● | ● | ● | ● | ● |
| Movable core 1 | ● | ● | ● | ● | ● | ● | ● |
| Movable core 2 | ○ | ○ | ● | ● | ● | ● | ● |
| Fixed core 3 | X | X | ○ | ○ | ○ | ● | ● |
| Pressure reducing valve core 1&2 | ○ | ○ | ○ | ○ | ○ | ○ | ○ |
| Pressure reducing valve fixed core 3 | X | X | ○ | ○ | ○ | ○ | ○ |
| INJECTION PART | |||||||
| Motorized injection valve | ● | ● | ● | ● | ● | ● | ● |
| Injection curve display | ● | ● | ● | ● | ● | ● | ● |
| Die cast conditions management | ● | ● | ● | ● | ● | ● | ● |
| Injection speed display | ● | ● | ● | ● | ● | ● | ● |
| Injection pressure display | ● | ● | ● | ● | ● | ● | ● |
| Injection data display | ● | ● | ● | ● | ● | ● | ● |
| Plunger-tip projection setting | ● | ● | ● | ● | ● | ● | ● |
| Injection vacuum movement setting | ○ | ○ | ○ | ○ | ○ | ○ | ○ |
| Shot sleeve clean setting | ● | ● | ● | ● | ● | ● | ● |
| Plunger-tip lubricating setting | ● | ● | ● | ● | ● | ● | ● |
| Injection stroke setting from screen | ● | ● | ● | ● | ● | ● | ● |
| Magnetic non-contact sensor | ● | ● | ● | ● | ● | ● | ● |
| Intensifying pressure adjustment | ○ | ○ | ○ | ○ | ○ | ○ | ○ |
| HYDRAULIC & COOLING PART | |||||||
| Hydraulic oil temperature sensor | ● | ● | ● | ● | ● | ● | ● |
| Hydraulic oil level sensor | ○ | ○ | ○ | ○ | ○ | ○ | ○ |
| Enhanced cooler | ○ | ○ | ○ | ○ | X | X | X |
| Auto pressure release device | ○ | ○ | ○ | ○ | ○ | ○ | ○ |
| Hydraulic oil filter device | ○ | ○ | ○ | ○ | ○ | ○ | ○ |
| SAFETY PART | |||||||
| Manual safety door | ● | ● | ● | ● | ● | ● | ● |
| Full cover auto safety door | ○ | ○ | ○ | ○ | ○ | ○ | ○ |
| Non-operator side safety fence | ○ | ○ | ○ | ○ | ○ | ○ | ○ |
| Emegency stop | ● | ● | ● | ● | ● | ● | ● |
| OTHERS | |||||||
| Energy saving system | ○ | ○ | ○ | ○ | X | X | X |
| Digital die locking force display | ○ | ○ | ○ | ○ | ○ | ○ | ○ |
| Quick mould change system | ○ | ○ | ○ | ○ | ○ | ○ | ○ |
| Squeeze pin interface | ○ | ○ | ○ | ○ | ○ | ○ | ○ |
| Piston accumulator | ○ | ○ | ○ | ○ | ○ | ○ | ○ |
| Movable platen reinforce board | ○ | ○ | ○ | ○ | ○ | ○ | ○ |
| AUXILIARIES | |||||||
| Auto ladler | ● | ● | ● | ● | ● | ● | ● |
| Auto extractor / sprayer | ● | ● | ● | ● | ● | ● | ● |
| Fast auto production | ● | ● | ● | ● | ● | ● | ● |
- Smart QC System: Equipped with injection data display. injection diagram, defective detection.Oil temperature sensor, oil level sensor (optional), die locking force display (optional).
- Assist Production System: Standard for abandoned cast setting. display of injection valve and pressure. timer setting of core position, and shot condition calculation.
Smart QC System
Assist Production System
V Series - Cold Chamber Aluminum Die Casting Machine
Economic, durable and stable.
Unique Cylinder injection and exquisite circuit design, with the injection speed at 5m/ sec.
Built-in ejector for easy changeover of molds. Intuitive and ergonomics UI design for the controller.
- Unique Cylinder Injection: With double cylinder injection mechanism and elaborated circuit design, injection speed can reach 5m/s.
- Auto Lubrication System: Auto lubrication system feeds the oil accurately and thoroughly, which ensures fluent actuation without being stuck.
- Hand wheel adjustable injection valve with precise pressure display pointer.
- Back Pressure Relief Device: Speeds up response time and increases injection velocity for quick injection stroke.
- Hydraulic Oil Temperature Alarm
- 3-stage injection
- Injection Stroke Settings by LS
- Movable Platen Adjustment
- Hydraulic die thickness adjustment
- Single slide safety door
Unique Cylinder Injection
Auto Lubrication System
Back Pressure Relief Device
- Intuitive and ergonomics UI design for the controller.
- Control the die-cast parameter completely in an interface.
- Clearly display all I/O detection data.
- 100 sets of casting condition parameter data could be saved.
- Abnormal messages let you know what problems with alarm.
- Plunger tip lubrication device
☐Core 1
Core 1
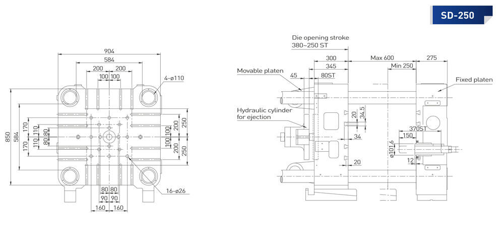
| Item | Units | SD-150V | SD-280V | SD-420V | |
|---|---|---|---|---|---|
| Die Open/Close | Clamping Force | KN | 1500 | 2800 | 4200 |
| Platen Dimensions (HxW) | MM | 730x730 | 850x904 | 956x1010 | |
| Space between Tie Bars | MM | 460x460 | 584x584 | 652x652 | |
| Tie Bar Diameters | MM | 90 | 110 | 125 | |
| Die Open Stroke | MM | 350 | 380 | 420 | |
| Mold Thickness Range | MM | 250~500 | 250~600 | 300~700 | |
| Solenoid Valve for Core | PIECE | Option | Option | Option | |
| Core connector | SET | Option | Option | Option | |
| Injection | Injection force | KN | 182 | 265 | 354 |
| Plunger Stroke | MM | 330 | 370 | 425 | |
| Plunger-tip Projection Distance | MM | 150 | 150 | 165 | |
| Injection Position | MM | -100 | -125 | -150 | |
| Dry Shot Speed | m/s | 5 | 6 | 6 | |
| Plunger-tip Diameter | MM | Min. 45 | Sta. 50 | Max. 60 | Min. 50 | Sta. 60 | Max. 70 | Min. 60 | Sta. 70 | Max. 80 | |
| Maximum Casting Pressure | MPA | 114.6 | 91 | 64 | 135.4 | 94.1 | 69.1 | 109.9 | 80.6 | 61.7 | |
| Maximum Casting Area | CM² | 128 | 159 | 229 207 | 257 | 370 | 180 | 260 | 354 361 | 525 | 710 | 312 | 425 | 555 485 | 661 | 864 | |
| Actual Shot Weight | KG | 0.92 | 1.16 | 1.67 | 1.40 | 2.02 | 2.75 | 2.35 | 3.20 | 4.18 | |
| Ejection | Ejection Force | KN | 100.9 | 123.5 | 190.1 |
| Ejection Stroke | MM | 80 | 80 | 100 | |
| Others | Hydraulic Motor | KW | 15 | 18.5 | 22.5 |
| Amount of Hydraulic Oil | L | 360 | 370 | 480 | |
| Amount of Water for Oil Cooling | L/MIN | 30 | 30 | 25 | |
| Amount of Water for Mold Cooling | L/MIN | 30~60 | 30~60 | 25~50 | |
| Machine Weight | TON | 6 | 9.4 | 12.8 | |
| Machine Size | MM | 4820x1520x2585 | 5613x1650x2616 | 6275x1835x2975 | |
| Model | 150 V | 280 V | 420 V |
|---|---|---|---|
| CONTROLLER PART | |||
| Color touch screen | ● | ● | ● |
| Alarm display | ● | ● | ● |
| PLATEN PART | |||
| Toggles auto lubricating system | ● | ● | ● |
| Tip plunger lubricating system | ○ | ○ | ○ |
| CORE PART | |||
| Movable core 1 | ○ | ○ | ○ |
| SAFETY PART | |||
| Manual safety door | ● | ● | ● |
| Full cover safety door | ○ | ○ | ○ |
| Non-operator side safety fence | ○ | ○ | ○ |
| Emergency stop | ● | ● | ● |
| OTHERS | |||
| Movable platen reinforce board | ○ | ○ | ○ |
※ If the video doesn't load, please check your browser's tracking protection or Facebook login status.